全国空降上门900 城市_同城微信群二维码_全国24小时空降平台_同城附近人100米约
关于沪扬
企业简介
法人致辞
公司荣誉
新闻在线
产品中心
企业推荐
产品展示
技术支持
设计资料
行业标准
咨询设计
非标产品设计登记表
在线订购
人力资源
招聘信息
毛遂自荐
联系我们
原始供应商专业设计,制造普通及高性能特种
可控硅调压器
,
润滑油电加热器
,
辅助电加热器
防爆氢气电加热器
,
电加热器
,
防爆电加热器导热油炉
,
导热油电加热器
,
导热油电加热炉
,
导热油炉
,防爆氢气/乙炔气 ,防爆二甲醚 原油/重油/熔盐电加热器,电加热(锅)炉,导热油炉,普通及防爆电加热气体炉,电热管,大功率电热棒,智能可控硅恒温控制柜及电加热系统成套设备……
大、中、小型防爆电加热器正在...
单端大功率电热棒(配置大功率...
防爆型天然气、乙炔气电加热器
螺栓加热棒
防爆型氢气电加热器
可控硅智能自动恒温控制柜
防爆型甲醇、二甲醚电加热器
可控硅调压器/调功器
防爆电加热导热油炉(有机热载...
交直流控制柜
防爆原油、重油(燃料油)、稠...
金属压延高温用电热管
防爆(普通)贮油罐电加热器
其他普通及异型电加热器
防爆控制柜(箱)
熔盐电加热器(普通及防爆型)
防爆接线盒、接线箱、挠性管
铸铝、铸铜、高温陶瓷电热圈、...
合成、甲醇、联碱大功率等电加...
翅片(散热片)电热管
桥架母线
仪表阀门
电镀、制版、化学处理等防腐电...
反应釜电加热器
空气加热器
热水电加热器(水箱)
风道、烘道、供热电加热器
蒸汽锅炉用大功率电加热法兰组
氮气电加热器(普通及防爆型)
法兰式(插入式)电加热器
返回首页
>>
产品中心
所属类别:
其他普通及异型电加热器
[
关闭本页
]
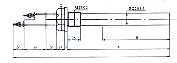
其他用途的电加热器
①GGYS
1、管径φ22-φ34
2、电压380V/220V
3、功率3KW-15KW
①GGYS2
1、管径φ16-φ20
2、电压380V/220V
3、功率6KW-15KW
①GGYS3
1、管径φ16-φ20
2、电压380V/220V
3、功率12KW-20KW
①GGYS4
1、法兰φ190、管径φ16
2、电压380V 3支管组成
3、功率15KW-30KW
加入时间:2013年6月21日11:58
总 经 理:顾大生 联系人:杨 冰 电话:
(0511)88548963 88547163
手机:
13905288027
传真:
(0511)88548964 88547138
地址:扬中市二桥工业园区 邮箱:
info@huyang.cn
苏ICP备09026461号
主站蜘蛛池模板:
墨江
|
肇州县
|
鄱阳县
|
吉水县
|
阿城市
|
九台市
|
亳州市
|
临颍县
|
依兰县
|
卢龙县
|
和田市
|
潢川县
|
关岭
|
齐河县
|
常州市
|
商水县
|
烟台市
|
揭西县
|
武夷山市
|
谷城县
|
永济市
|
项城市
|
喀喇沁旗
|
浪卡子县
|
淄博市
|
芒康县
|
河津市
|
英吉沙县
|
东安县
|
汉寿县
|
石泉县
|
宣恩县
|
旌德县
|
宿州市
|
仪征市
|
榆林市
|
周宁县
|
固原市
|
自治县
|
阿荣旗
|
宜都市
|